El Botón de Arranque del Kia Rio: Conveniencia, Tecnología y Consideraciones Esenciales
El botón de arranque del motor se ha convertido en un elemento distintivo en la experiencia de conducción moderna, y el Kia Rio no es la excepción. Este innovador sistema, que permite a los conductores arrancar y detener el motor con solo presionar un botón, representa un salto significativo en términos de conveniencia y confort. A lo largo de los años, esta tecnología ha evolucionado, adaptándose a las demandas de un mercado automotriz cada vez más sofisticado.

El Proceso de Encendido y las Advertencias de Seguridad
El procedimiento para encender el motor en un Kia Rio equipado con botón de arranque es intuitivo. Generalmente, se requiere pisar el pedal del freno y, simultáneamente, pulsar el botón de arranque del motor. Alternativamente, se puede poner la llave de encendido en las posiciones "On" o "ACC" y luego confirmar la operación. Es crucial tener en cuenta que el sistema de infoentretenimiento no se puede utilizar mientras el motor está en proceso de arranque.
Una característica de seguridad importante es la página de advertencia de seguridad que se muestra cada vez que se enciende el vehículo. Esta pantalla está diseñada para informar al conductor sobre aspectos relevantes para una operación segura.
Consideraciones sobre el Volumen y la Personalización
Al encender el sistema de audio, es fundamental prestar atención a la configuración del volumen. Una salida de volumen extremo repentina podría ser perjudicial para los oídos. Por ello, se recomienda ajustar el volumen a un nivel adecuado antes de apagar el sistema. Otra opción es configurar el volumen de arranque deseado dentro del menú de "Ajustes de sonido". Una vez que el sistema se apaga, el nivel de volumen se memoriza automáticamente para la próxima vez, ofreciendo una experiencia personalizada.
Las funciones específicas de la unidad principal pueden variar significativamente entre los diferentes modelos de Kia Rio. Esta variabilidad asegura que los conductores tengan acceso a características adaptadas a sus necesidades y preferencias.
Gestión de Errores y Personalización del Perfil
En caso de errores o problemas imprevistos con el sistema, existe una función de reinicio para restaurar su funcionamiento normal. Pulsar el botón de "REINICIO" permite solucionar dichas incidencias.
Para una experiencia aún más personalizada, el usuario tiene la capacidad de ajustar el menú detallado de cada diseño. Tras encender el vehículo, se puede seleccionar un perfil de conductor, como "[Conductor 1]", "[Conductor 2]" o "[Invitado]". Esta función permite adaptar la configuración del sistema a las preferencias individuales de cada usuario. Para obtener información más detallada sobre la gestión de perfiles, se puede consultar la sección específica del manual del propietario.
Navegación en la Interfaz y Sensores de Proximidad
La interfaz del sistema de infoentretenimiento del Kia Rio ofrece diversas opciones de navegación. Desplazar la pantalla INICIO hacia un lado permite mover todos los elementos del menú del sistema, facilitando la organización del espacio visual. La función "[Ventana partida]" permite mostrar dos aplicaciones simultáneamente, mejorando la multitarea.
Además, algunos modelos incorporan una función de sensor de proximidad. Si acerca la mano a la unidad principal cuando la luz está encendida, se activará un indicador luminoso, demostrando la presencia de esta tecnología que reacciona a la proximidad del usuario.

Modos de Reproducción y Comunicación
El sistema permite seleccionar la banda de radio deseada, ya sea FM, AM o SiriusXM, si está disponible. Un botón específico permite mostrar la pantalla de reproducción de medios, ofreciendo acceso a las fuentes de audio. Otro botón lleva al menú "Botón personalizado", donde se pueden configurar accesos directos a funciones frecuentes.
En el modo de medios, existen opciones para rebobinar o avanzar rápidamente dentro de un archivo, facilitando la navegación por el contenido. Cada pulsación de este botón cambia el modo de reproducción. Los medios reproducibles se pueden seleccionar manualmente desde el menú "Botón de modo" en el volante, lo que aumenta el control del conductor sobre la experiencia auditiva.
Gestión de Llamadas y Conectividad Bluetooth
La gestión de llamadas telefónicas es una parte integral del sistema. Cuando se presiona el botón correspondiente durante una llamada en espera, el sistema cambia a la llamada en espera. Si se está en una llamada manos libres de Bluetooth y se presiona el botón, se cambia a la función de retorno de llamada al teléfono móvil. De manera inversa, si se está en una llamada desde el teléfono móvil, se puede cambiar a la comunicación manos libres a través de Bluetooth.
Evolución de los Sistemas de Arranque sin Llave
El botón de arranque del Kia Rio es un componente clave de los sistemas de encendido sin llave, que han revolucionado la forma en que los conductores interactúan con sus vehículos. A lo largo de los años, esta tecnología ha experimentado diversas evolucificaciones para ofrecer mayor seguridad y comodidad.
Tipos Comunes de Botones de Arranque en el Kia Rio:
- Arranque por Botón Estándar: Este es el tipo más común. El conductor arranca el motor presionando el botón mientras pisa el pedal del freno. Para apagarlo, se repite la acción.
- Arranque con Llave Integrada: Algunos modelos integran el llavero con el botón de arranque. Esto permite arrancar el motor de forma remota desde el llavero, posibilitando que el conductor ingrese a un vehículo ya climatizado y listo para conducir.
- Arranque por Proximidad: Este sistema permite arrancar el motor sin interacción física directa con el llavero. El llavero permanece en el bolsillo o bolso, y el conductor puede presionar el botón de arranque al estar cerca del automóvil.

Tecnologías Emergentes en Sistemas de Arranque
El futuro de los sistemas de arranque sin llave apunta hacia tecnologías aún más avanzadas y seguras.
- Sistemas Biométricos: Tecnologías como el reconocimiento de huellas dactilares o ADN están comenzando a ser adoptadas. Un sistema biométrico en el botón de arranque del Kia Rio requeriría que el conductor escanee su huella dactilar en el botón. El sistema compararía los datos biométricos con los pre-registrados, y si coinciden, arrancaría el motor. Esto añadiría una capa de seguridad sin precedentes.
- Botón de Arranque de Doble Etapa: En modelos de alto rendimiento o lujo, se puede encontrar un botón de arranque de doble etapa. Este sistema requiere dos presiones para arrancar el motor: la primera activa el sistema de encendido y la segunda arranca el motor. Esta característica previene arranques accidentales y añade una medida de seguridad adicional.
Arranque sin llave en el coche: cómo funciona la llave inteligente y posibles problemas
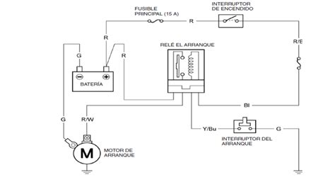
Mantenimiento y Durabilidad del Botón de Arranque
Para que los botones de arranque del Kia Rio continúen ofreciendo la conveniencia esperada, es esencial que estén en buen estado. Las conexiones eléctricas fiables son cruciales para su correcto funcionamiento.
Especificaciones Técnicas y Consideraciones de Mantenimiento:
- Clasificación de Corriente: Los botones de arranque del Kia Rio operan con clasificaciones de corriente que varían entre 10 y 20 amperios, permitiendo el flujo necesario al sistema de encendido.
- Clasificación de Voltaje: Están diseñados para operar con el voltaje estándar de los sistemas eléctricos de vehículos, que es de 12 voltios.
- Resistencia de Contacto: La resistencia de contacto es muy baja, típicamente en el rango de unos pocos miliohmios (mΩ) o menos, asegurando una transferencia de energía eficiente.
- Vida Eléctrica: Estos botones están diseñados para soportar cientos de miles de operaciones, garantizando una larga vida útil.
- Recorrido y Fuerza del Botón: El recorrido del botón suele ser de 1 a 3 milímetros (mm), y la fuerza requerida para presionarlo se sitúa entre 3 y 10 Newtons (N).
- Materiales: Los botones están fabricados con materiales duraderos como plásticos, metales y goma.
- Tipo de Interruptor: Utilizan interruptores de contacto momentáneo, donde el circuito eléctrico se completa solo mientras el botón está presionado.
Cuidados Esenciales:
- Limpieza Regular: Utilizar un paño suave y húmedo con materiales de limpieza suaves para eliminar suciedad y polvo.
- Evitar Derrames de Líquidos: Es importante prevenir que líquidos entren en contacto con el botón para evitar daños.
- Inspección Periódica: Revisar regularmente el botón en busca de signos de desgaste o daño.
Selección e Instalación de un Botón de Arranque de Reemplazo
Elegir el botón de arranque correcto para un Kia Rio es fundamental para asegurar un ajuste y funcionamiento óptimos.
Factores a Considerar:
- Compatibilidad: Consultar la guía del propietario o investigar en línea para asegurar que el botón de arranque coincida con la marca, modelo y año del vehículo.
- Piezas OEM vs. Mercado Secundario: Las piezas de equipo original (OEM) son fabricadas por el fabricante del automóvil y suelen ofrecer un ajuste perfecto y alta calidad. Las piezas de mercado secundario provienen de otras empresas y pueden ser una opción más económica, aunque podrían presentar variaciones en ajuste o calidad.
- Materiales y Funciones Adicionales: Buscar botones fabricados con materiales de alta calidad. Considerar si se necesitan funciones adicionales como entrada sin llave o sistemas de parada/arranque del motor.
- Instalación Profesional: Si el botón requiere cableado o programación, es recomendable contratar a un mecánico profesional para su instalación.
- Garantía: Verificar si el proveedor o fabricante ofrece una garantía, la cual protege la inversión en caso de problemas.
Reemplazo del Botón de Arranque
Reemplazar un botón de arranque del Kia Rio requiere ciertos conocimientos técnicos. El proceso general implica:
- Retirar la moldura: Usar una herramienta adecuada para quitar con cuidado la moldura que rodea el botón.
- Desconectar las conexiones eléctricas: Tomar nota de las conexiones y desconectarlas del conjunto del botón.
- Retirar el conjunto del botón de arranque: Puede estar fijado con tornillos o clips.
- Instalar el nuevo conjunto: Insertar el nuevo botón y asegurarlo.
Solución de Problemas Comunes
- ¿Por qué no funciona el arranque por botón del Kia Rio? Diversos factores pueden causar esta falla, desde problemas con la batería del llavero hasta fallos en el sistema eléctrico del vehículo.
- ¿Qué hacer si el botón de arranque no funciona? Los usuarios pueden intentar cambiar la batería del llavero. También es importante estar atento a mensajes de error en el tablero y abordarlos.
- ¿Es posible instalar un sistema de arranque por botón como repuesto? Aunque técnicamente posible, se desaconseja fuertemente debido a la complejidad de la integración con los sistemas eléctricos y de seguridad del vehículo, que requiere conocimientos especializados.
- ¿Todos los Kia Rio tienen botón de arranque? No, algunos modelos más antiguos del Kia Rio vienen con un sistema de encendido tradicional por llave.
- ¿Es normal que el motor tarde en arrancar? Si todos los sistemas funcionan correctamente pero el motor tarda demasiado en arrancar, podría indicar un problema subyacente que requiere diagnóstico.
tags: #boton #kia #rio #encendido #rapido