El Método Intuitivo en Neumática: Un Enfoque Práctico para el Diseño de Circuitos
La neumática, como disciplina que estudia el aprovechamiento de la energía del aire comprimido, se ha convertido en un pilar fundamental en la automatización industrial. El diseño de circuitos neumáticos, es decir, la configuración de los elementos que permiten controlar el movimiento de actuadores mediante aire comprimido, presenta diversos enfoques metodológicos. Entre ellos, el método intuitivo destaca por su accesibilidad y su aplicación directa, especialmente en el ámbito de la formación y para la resolución de problemas de automatización relativamente sencillos. Este método, si bien puede carecer de la rigurosidad formal de otros, ofrece una vía práctica para la comprensión y el diseño de sistemas neumáticos básicos.

Fundamentos del Método Intuitivo
El método intuitivo para el diseño de circuitos neumáticos se basa en un proceso iterativo y de resolución de problemas individualizados. Su esencia radica en la identificación directa de las necesidades del sistema y la selección empírica de los componentes para satisfacerlas. A diferencia de métodos más estructurados, como el de cascadas o el de pasos y saltos, el enfoque intuitivo no sigue una secuencia algorítmica predefinida para la asignación de señales o la gestión de estados. En su lugar, se centra en “ir conectando” los elementos de manera que se cumplan las funciones requeridas, apoyándose en la experiencia y en una comprensión básica del funcionamiento de los componentes neumáticos.
Este método involucra identificar el problema, seleccionar actuadores y válvulas, conectar los componentes y agregar detectores de posición y temporizadores de manera intuitiva hasta resolver el problema de manera secuencial. El método se usa comúnmente para diseñar circuitos neumáticos simples resolviendo problemas de manera individual. La simplicidad de los problemas que aborda es una de sus características distintivas; se enfoca en resolver cada requerimiento de forma aislada, lo que facilita su comprensión por parte de quienes se inician en el campo de la neumática.
Proceso de Diseño Intuitivo
El diseño de un circuito neumático mediante el método intuitivo generalmente sigue los siguientes pasos, aunque con una flexibilidad inherente a su naturaleza:
Identificación del Problema y Requerimientos: El primer paso consiste en comprender claramente la tarea que debe realizar el sistema neumático. Esto implica definir qué movimientos son necesarios, en qué orden deben ocurrir, qué actuadores (cilindros, motores neumáticos) se utilizarán y cuáles son las condiciones de operación. Por ejemplo, si el objetivo es extender un cilindro y luego retraerlo, esta sería la primera funcionalidad a abordar.
Selección de Actuadores y Válvulas Principales: Una vez definidos los movimientos, se eligen los actuadores adecuados (cilindros de simple o doble efecto, etc.) y las válvulas distribuidoras principales que controlarán su avance y retroceso. Para un cilindro de doble efecto, típicamente se seleccionará una válvula 5/2 vías o 4/2 vías. La elección intuitiva aquí se basa en la necesidad de controlar ambas direcciones del actuador.
Conexión Inicial de Componentes: Se procede a conectar los actuadores a las salidas de las válvulas distribuidoras y estas a la línea de aire comprimido, asegurando que la secuencia básica de movimiento pueda ser ejecutada. Si el objetivo es simplemente extender un cilindro, se conectaría la válvula para permitir el paso de aire a la cámara del vástago.
Incorporación de Elementos de Control y Secuencia: Aquí es donde el método se vuelve más "intuitivo". Se añaden componentes como finales de carrera (detectores de posición), pulsadores, selectores y temporizadores según sea necesario para controlar el ciclo. Por ejemplo, si se desea que el cilindro se retraiga automáticamente al alcanzar su extensión máxima, se colocará un final de carrera en esa posición y se conectará a la válvula distribuidora para que cambie de estado. La lógica de conexión de estos elementos se basa en la intuición de cómo deben interactuar para lograr el resultado deseado.
Iteración y Ajuste: El proceso de diseño es iterativo. Se prueba el circuito, se observan sus acciones y se realizan ajustes en la configuración de las válvulas, la ubicación de los finales de carrera o la temporización, hasta que el sistema funcione según lo esperado. Si el cilindro no se retrae correctamente, se revisa la conexión del final de carrera o la propia válvula.

Aplicaciones y Limitaciones del Método Intuitivo
El método intuitivo es particularmente útil para el diseño de circuitos neumáticos simples, como los utilizados en demostraciones educativas, prototipos iniciales o tareas de automatización que involucran uno o dos cilindros con secuencias de movimiento directas. Su ventaja principal reside en su accesibilidad y facilidad de aprendizaje, lo que lo convierte en una excelente puerta de entrada al mundo de la neumática. Permite a los estudiantes y técnicos familiarizarse rápidamente con los componentes básicos y su interconexión, fomentando una comprensión práctica de la lógica de control.
Sin embargo, la naturaleza "intuitiva" de este método presenta limitaciones significativas cuando se abordan sistemas más complejos. Para secuencias de movimiento con múltiples pasos, retrocesos condicionales, o la gestión de varios cilindros que interactúan entre sí, el diseño puramente intuitivo puede volverse rápidamente confuso, propenso a errores y difícil de depurar. La falta de una estructura formal para la asignación de señales y la gestión de la lógica de control puede llevar a circuitos redundantes, ineficientes o incluso a interbloqueos (situaciones en las que el sistema se detiene de forma inesperada).
En tales escenarios, métodos más estructurados como el método de cascadas o el método de pasos y saltos (GRAFCET) son considerablemente más eficientes y fiables. Estos métodos proporcionan un marco sistemático para descomponer el problema, asignar señales de control de manera lógica y asegurar que la lógica del circuito sea clara y mantenible. El método de cascadas, por ejemplo, divide el circuito en sub-circuitos que se activan secuencialmente, simplificando el diseño y la comprensión de sistemas complejos. El GRAFCET, por su parte, ofrece una representación gráfica de la secuencia de operaciones, facilitando la transición a la lógica cableada o programada.
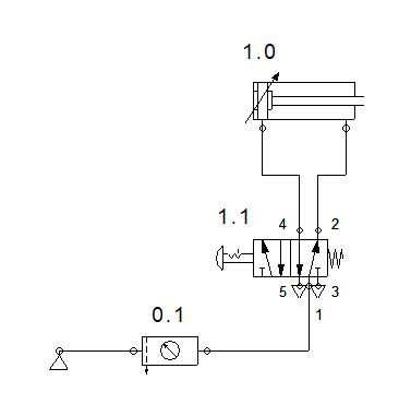
Esquemas Neumáticos - Método Intuitivo
Comparación con Otros Métodos de Diseño
Para comprender mejor el alcance del método intuitivo, es útil compararlo con otros enfoques comunes en el diseño de circuitos neumáticos:
Método Paso a Paso
Este método, a menudo considerado una evolución o una formalización del enfoque intuitivo, introduce una mayor estructura. Implica definir claramente cada paso de la secuencia de operación y diseñar la lógica para transitar de un paso al siguiente. Aunque comparte la idea de resolver el problema de forma progresiva, tiende a ser más metódico que el enfoque puramente intuitivo, prestando más atención a las transiciones y condiciones de cada paso.
Método de Cascada
El método de cascada es una técnica poderosa para simplificar el diseño de circuitos neumáticos con múltiples cilindros. Se basa en dividir el circuito en grupos de pasos (o "cascadas") que se activan secuencialmente. Cada grupo de pasos controla el avance y retroceso de uno o más cilindros. Las válvulas de memoria o las válvulas de rodillo son cruciales en este método para asegurar que una cascada solo se active una vez que la anterior ha completado su ciclo. Este método reduce drásticamente el número de válvulas de final de carrera necesarias y organiza la lógica de forma jerárquica.
Método de Pasos y Saltos (GRAFCET)
El GRAFCET (SFC - Grafcet Step/Transition) es un lenguaje gráfico de especificación de secuencias. Permite describir el comportamiento de un sistema de automatización en términos de estados (pasos) y transiciones entre esos estados. Cada paso representa una fase de la operación, y las transiciones se basan en condiciones lógicas. El diseño de un circuito neumático a partir de un GRAFCET implica mapear cada paso y transición a componentes neumáticos específicos, como válvulas y finales de carrera. Este método es muy robusto para sistemas complejos y es la base para la programación de autómatas programables (PLCs).
La diferencia fundamental del método intuitivo radica en su falta de una representación gráfica formal de la secuencia o una descomposición algorítmica estricta. Mientras que el GRAFCET y el método de cascada ofrecen una metodología clara para abordar la complejidad, el método intuitivo se apoya más en la comprensión directa de las interconexiones y la resolución de cada sub-problema de forma aislada.
Consideraciones Adicionales en el Diseño Neumático
Independientemente del método de diseño empleado, existen consideraciones prácticas que son vitales para el éxito de un circuito neumático:
- Simbología Normalizada: El uso de la simbología normalizada (ISO 1219-2 y EN 81346-2) es esencial para la representación clara y universal de los componentes neumáticos y sus interconexiones. Esto asegura que los diagramas sean comprensibles para ingenieros y técnicos de diferentes orígenes.
- Selección de Componentes: La elección de válvulas, cilindros, reguladores de presión, filtros, lubricadores y otros accesorios debe basarse en los requerimientos de la aplicación: fuerza necesaria, velocidad de operación, ciclo de trabajo, entorno de operación y disponibilidad de aire comprimido.
- Seguridad: Los sistemas neumáticos, especialmente aquellos que operan maquinaria pesada, deben diseñarse con la seguridad como prioridad. Esto incluye la implementación de paradas de emergencia, enclavamientos de seguridad y la consideración de las presiones de operación.
- Eficiencia Energética: El aire comprimido es una forma de energía costosa. Un diseño eficiente busca minimizar fugas, optimizar el uso de válvulas y actuadores, y considerar la regeneración de energía si es posible, aunque esto último es menos común en sistemas puramente neumáticos básicos.
El método intuitivo, al ser un punto de partida, puede ser una herramienta valiosa para introducir estos conceptos. Sin embargo, a medida que las aplicaciones se vuelven más sofisticadas, la transición a métodos de diseño más estructurados se vuelve no solo recomendable, sino necesaria para garantizar la funcionalidad, la fiabilidad y la seguridad del sistema. El dominio de la neumática implica la capacidad de elegir el método de diseño más apropiado para la complejidad del problema en cuestión, desde la simplicidad del enfoque intuitivo hasta la rigurosidad de los métodos secuenciales y programados.

tags: #metodo #intuitivo #neumatica