Iluminando el Camino: Guía Completa para Activar las Luces Antiniebla en tu Seat Toledo 2
El Seat Toledo 2, un vehículo conocido por su robustez y versatilidad, puede beneficiarse enormemente de la adición o reparación de sus luces antiniebla. Estos componentes no solo mejoran la visibilidad en condiciones climáticas adversas, sino que también juegan un papel crucial en la seguridad vial, especialmente en lo que respecta a la señalización de frenado. Este artículo se adentra en los aspectos técnicos y prácticos de la activación y el correcto funcionamiento de las luces antiniebla delanteras y traseras en el Seat Toledo 2, abordando desde la preinstalación hasta la solución de problemas comunes.
La Importancia de las Luces Antiniebla
Las luces antiniebla son dispositivos de iluminación diseñados para mejorar la visibilidad del conductor y hacer que el vehículo sea más visible para otros usuarios de la vía en condiciones de baja visibilidad, como niebla densa, lluvia intensa o nevadas. Su uso es fundamental para prevenir accidentes, ya que permiten anticipar obstáculos y maniobras de otros vehículos con mayor antelación.

Instalación y Preinstalación de Luces Antiniebla Delanteras
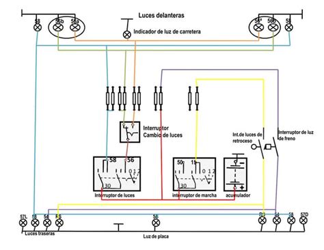
Para aquellos propietarios de un Seat Toledo 2 que deseen instalar luces antiniebla delanteras, el proceso, aunque requiere cierta pericia técnica, es factible. Un punto de partida común es la localización del pasamuros, que a menudo se encuentra por encima del pedal del acelerador. Desde allí, se puede iniciar el tendido del cableado hasta la placa de fusibles.
La cuestión de la alimentación de estos antinieblas es un aspecto clave. Una de las consultas recurrentes es si el cableado debe ir directamente a la batería o al mando de luces. La conexión directa a la batería, a través de un relé, es una opción robusta para asegurar un suministro de energía constante y adecuado para los antinieblas. Sin embargo, la integración con el mando de luces permite un control más intuitivo y seguro, activándose solo cuando es necesario.
Al adquirir un mando de luces de desguace para los antinieblas delanteros, se ha observado un comportamiento peculiar: al dar al contacto, las luces de matrícula se encienden automáticamente, independientemente de si las luces principales están apagadas. Esto sugiere una posible interconexión o una configuración específica del mando adquirido. Para una instalación correcta, es esencial identificar los pines adecuados en el mando de luces para conectar los antinieblas. La correcta identificación de estos pines garantizará que las luces se activen y desactiven según lo previsto, evitando así problemas como el encendido constante de las luces de matrícula.
Se necesitarán dos conectores específicos para los antinieblas delanteros. Estos pueden obtenerse en tiendas de repuestos de automóviles o en desguaces, asegurándose de que sean compatibles con el tipo de bombilla y el sistema eléctrico del vehículo.
COMO CAMBIAR LUCES DE NIEBLAS EN SEAT TOLEDO FR ( PASO A PASO ) | JRH VLOGS
Diagnóstico y Reparación de Luces Antiniebla Traseras
Los problemas con las luces antiniebla traseras son otra área que requiere atención. Un escenario común es que, al accionar el interruptor, el testigo en el cuadro de instrumentos se ilumine, pero las luces no funcionen. En estos casos, es fundamental seguir un proceso de diagnóstico metódico.
Primero, se deben verificar los componentes más básicos: las bombillas. Aunque parezca obvio, una bombilla fundida es una causa frecuente de fallo. Si las bombillas están en buen estado, el siguiente paso es revisar el fusible correspondiente. La información disponible indica que el cable rojo suele ser el que alimenta la luz antiniebla, y su correcto estado es vital.
El cableado que va al portón trasero es un punto crítico, ya que es una zona susceptible de sufrir daños debido al movimiento constante de la apertura y cierre del maletero. Aunque se haya revisado y reparado previamente, una inspección minuciosa es indispensable. Los cables pueden presentar roturas internas o falsos contactos, incluso si el aislamiento exterior parece intacto.
Si el cableado del portón está en orden, la atención debe centrarse en el interruptor de las luces. Al desmontarlo, es importante examinar todos los cables conectados. Un detalle aparentemente insignificante, como un cable azul que esté ligeramente salido (incluso 1 mm), puede ser la causa del problema. Ajustar correctamente todos los cables y asegurar una conexión firme es esencial.
En algunos casos, el problema puede ser más sutil. Se ha documentado un caso en el que, a pesar de que todas las bombillas funcionaban correctamente, excepto las antinieblas, la solución se encontró en un cable azul que estaba "un pelín salido". Tras ajustar los cables, las luces antiniebla volvieron a funcionar. Este tipo de fallo, aunque frustrante, subraya la importancia de la precisión en las conexiones eléctricas.
La ausencia de corriente en la bombilla, a pesar de que el interruptor y los testigos funcionen, apunta a un problema en algún punto intermedio del circuito. Esto podría involucrar un relé defectuoso, un fusible adicional relacionado con el sistema de antiniebla, o un fallo en la propia caja de fusibles. Investigar a fondo estas áreas es crucial para aislar la causa raíz.

Problemas Comunes y Soluciones
Testigo de Antiniebla Encendido, Luces No Funcionan:
- Causas Posibles: Bombilla fundida, fusible quemado, cableado dañado (especialmente en el portón), mal contacto en el conector de la bombilla, interruptor defectuoso, relé o fusible adicional dañado.
- Soluciones:
- Revisar y reemplazar bombillas.
- Comprobar y reemplazar fusibles.
- Inspeccionar y reparar cableado, prestando especial atención a la zona del portón.
- Limpiar y asegurar los conectores de las bombillas.
- Verificar el funcionamiento del interruptor de luces.
- Comprobar relés y fusibles adicionales.
Fallo Simultáneo de Tercera Luz de Freno, Antiniebla y Marcha Atrás:
Un problema más complejo puede manifestarse con el fallo simultáneo de la tercera luz de freno (LED), la luz antiniebla trasera y la luz de marcha atrás. En estos casos, al meter la marcha atrás, se enciende el testigo de las luces antinieblas, pero ninguna de las luces mencionadas se ilumina. Ni siquiera al accionar el interruptor de las antinieblas. La tercera luz de freno tampoco funciona al pisar el pedal.

- Causas Posibles: Un fallo en la unidad de control de luces, un problema en el mazo de cables principal que afecta a múltiples circuitos, o un fallo en el interruptor de marcha atrás que pueda estar interfiriendo con otros sistemas. La iluminación del testigo de antiniebla al abrir el maletero también podría indicar un problema de conexión o un sensor defectuoso relacionado con el portón.
- Soluciones:
- Verificar el mazo de cables principal que recorre el vehículo.
- Comprobar el interruptor de marcha atrás.
- Investigar la unidad de control de luces, si el vehículo dispone de una centralita específica para el control de iluminación.
- Realizar pruebas de continuidad y voltaje en los conectores de las luces afectadas.
Consideraciones Adicionales
La correcta instalación y el mantenimiento de las luces antiniebla son esenciales para la seguridad vial y para cumplir con la normativa de ITV. Un sistema de iluminación en buen estado contribuye a una conducción más segura, especialmente en condiciones de baja visibilidad. La precaución y la atención al detalle durante la instalación o reparación son claves para evitar problemas futuros.
COMO CAMBIAR LUCES DE NIEBLAS EN SEAT TOLEDO FR ( PASO A PASO ) | JRH VLOGS
La experiencia de otros propietarios de Seat Toledo 2, como la resolución de un problema aparentemente complejo por un cable ligeramente desplazado, demuestra que la paciencia y una inspección exhaustiva son las mejores herramientas para diagnosticar y solucionar fallos eléctricos en el vehículo. La integración de estas luces no solo mejora la funcionalidad del coche, sino que también puede ser un requisito para superar la Inspección Técnica de Vehículos (ITV).
tags: #activar #en #seat #toledo #2 #luces